 
 
 
 
 
#include <Arduino.h>
 
#define MODEM_RST 5       //SIM800L复位引脚接在GPIO5
#define MODEM_PWRKEY 4    //SIM800L开关机引脚接在GPIO4
#define MODEM_POWER_ON 23 //SIM800L电源引脚接在GPIO23
#define MODEM_TX 27       //SIM800L串口TX引脚接在GPIO27
#define MODEM_RX 26       //SIM800L串口RX引脚接在GPIO26
 
#define SerialMon Serial //调试串口为UART0
#define SerialAT Serial1 //AT串口为UART1
 
void setup()
{
  pinMode(MODEM_POWER_ON, OUTPUT); //电源引脚
  pinMode(MODEM_PWRKEY, OUTPUT);   //开关机键引脚
 
  // 先打开SIM800L的电源
  digitalWrite(MODEM_POWER_ON, HIGH);
 
  //根据手册要求拉下PWRKEY 1秒钟以上 可以开机
  digitalWrite(MODEM_PWRKEY, HIGH);
  delay(100);
  digitalWrite(MODEM_PWRKEY, LOW);
  delay(1000);
  digitalWrite(MODEM_PWRKEY, HIGH);
  //开启串口
  SerialMon.begin(115200);
  SerialAT.begin(115200, SERIAL_8N1, MODEM_RX, MODEM_TX);
}
 
void loop()
{
  while (SerialAT.available())
  {
    SerialMon.write(SerialAT.read());
  }
  while (SerialMon.available())
  {
    SerialAT.write(SerialMon.read());
  }
}#include <Arduino.h>
 
#define MODEM_RST 5       //SIM800L复位引脚接在GPIO5
#define MODEM_PWRKEY 4    //SIM800L开关机引脚接在GPIO4
#define MODEM_POWER_ON 23 //SIM800L电源引脚接在GPIO23
#define MODEM_TX 27       //SIM800L串口TX引脚接在GPIO27
#define MODEM_RX 26       //SIM800L串口RX引脚接在GPIO26
 
#define SerialMon Serial //调试串口为UART0
#define SerialAT Serial1 //AT串口为UART1
 
#define TINY_GSM_MODEM_SIM800 // Modem is SIM800
 
//引入TinyGSM库. 在引入之前要定义好TINY_GSM_MODEM_SIM800,让它知道我们用的模块型号
#include <TinyGsmClient.h>
 
// 创建一个关联到SerialAT的SIM800L模型
TinyGsm modem(SerialAT);
 
//初始化SIM800L
void setupModem()
{
  pinMode(MODEM_POWER_ON, OUTPUT); //电源引脚
  pinMode(MODEM_PWRKEY, OUTPUT);   //开关机键引脚
 
  // 先打开SIM800L的电源
  digitalWrite(MODEM_POWER_ON, HIGH);
 
  //根据手册要求拉下PWRKEY 1秒钟以上 可以开机
  digitalWrite(MODEM_PWRKEY, HIGH);
  delay(100);
  digitalWrite(MODEM_PWRKEY, LOW);
  delay(1000);
  digitalWrite(MODEM_PWRKEY, HIGH);
}
void setup()
{
  esp_sleep_enable_timer_wakeup(20000000); //创建一个esp睡眠闹钟
  SerialMon.begin(115200);//初始化调试串口
  SerialAT.begin(115200, SERIAL_8N1, MODEM_RX, MODEM_TX);//初始化AT串口
 
  setupModem(); //SIM800L物理开机
  SerialMon.println("Initializing modem...");
  modem.init(); //开机后modem初始化一下
  String modemInfo = modem.getModemInfo();
  SerialMon.print("Modem: ");
  SerialMon.println(modemInfo);
  
  //测试连接网络
  SerialMon.print("Waiting for network...");
  while (!modem.waitForNetwork(240000L))
  {
    SerialMon.print(".");
    delay(500);
  }
  SerialMon.println(" OK");
 
  //测试关闭SIM800L信号灯
  SerialMon.println("Turning off SIM800 Red LED...");
  modem.sendAT("+CNETLIGHT=0");
  delay(10000);
 
  //测试打开SIM800L信号灯
  SerialMon.println("Turning on SIM800 Red LED...");
  modem.sendAT("+CNETLIGHT=1");
  delay(10000);
 
  //去休眠吧
  SerialMon.println("now I wanna ESP32sleep and disable SIM800L for a while!(20sec)");
  delay(100);
  esp_deep_sleep_start();
}
 
void loop()
{
}#include <Arduino.h>
#include "PubSubClient.h"
#include "aliyun_mqtt.h"
#include "ArduinoJson.h"
#include "Ticker.h"
#include "uFire_SHT20.h"
 
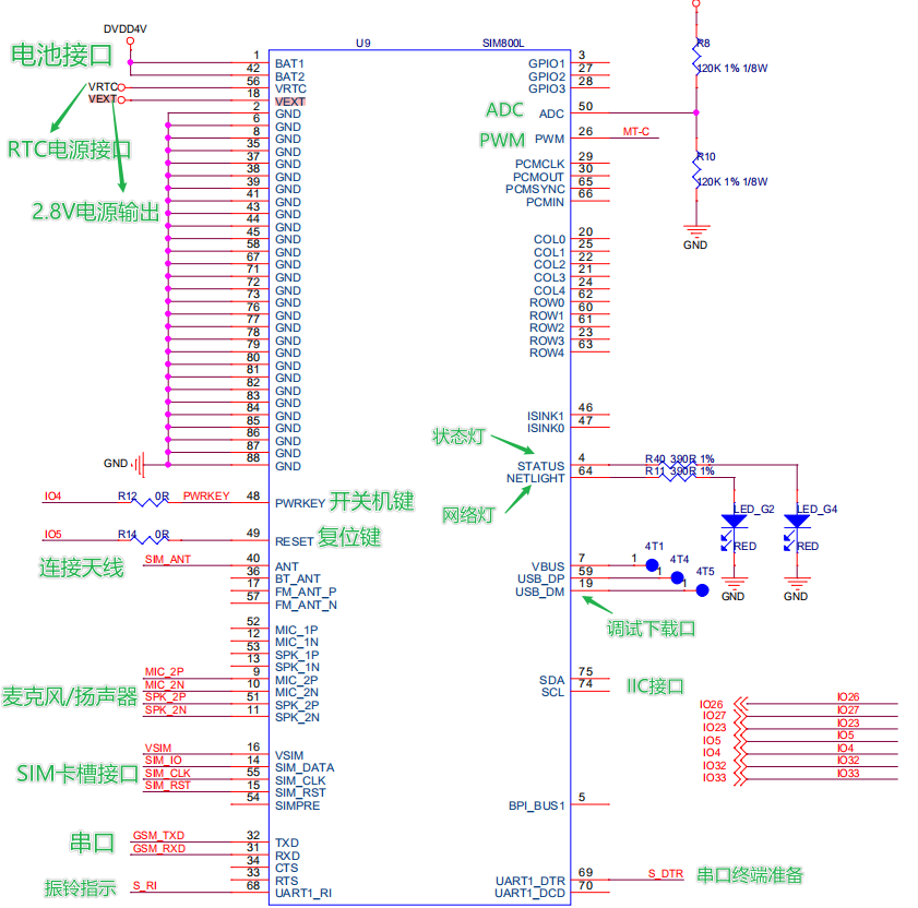
/*-------------------------------SIM800L 硬件定义----------------------------------*/
#define MODEM_RST 5       //SIM800L复位引脚接在GPIO5
#define MODEM_PWRKEY 4    //SIM800L开关机引脚接在GPIO4
#define MODEM_POWER_ON 23 //SIM800L电源引脚接在GPIO23
#define MODEM_TX 27       //SIM800L串口TX引脚接在GPIO27
#define MODEM_RX 26       //SIM800L串口RX引脚接在GPIO26
//串口定义
#define SerialMon Serial //调试串口为UART0
#define SerialAT Serial1 //AT串口为UART1
 
/*-------------------------------其他硬件定义-------------------------------------*/
#define LED_G 13
uFire_SHT20 sht20;
 
/*-------------------------------Modem相关定义-------------------------------------*/
#define TINY_GSM_MODEM_SIM800 // Modem is SIM800
//引入TinyGSM库. 在引入之前要定义好TINY_GSM_MODEM_SIM800,让它知道我们用的模块型号
#include <TinyGsmClient.h>
// 创建一个关联到SerialAT的SIM800L模型
TinyGsm modem(SerialAT);
// 创建一个GSM型的网络客户端
TinyGsmClient gsmclient(modem);
PubSubClient client(gsmclient);
// Your GPRS credentials (leave empty, if missing)
const char apn[] = "CMNET"; // Your APN
const char gprsUser[] = ""; // User
const char gprsPass[] = ""; // Password
const char simPIN[] = "";   // SIM card PIN code, if any
 
/*-------------------------------云平台相关定义-------------------------------------*/
const char *mqtt_server = "183.230.40.39"; //onenet 的 IP地址
#define mqtt_devid "626108102"             //设备ID
#define mqtt_pubid "370025"                //产品ID
#define mqtt_password "test123"            //鉴权信息
 
char msg_buf[200];                                     //发送信息缓冲区
char dataTemplate[] = "{\"TEMP\":%.2f,\"HUMI\":%.2f}"; //信息模板
char msgJson[75];                                      //要发送的json格式的数据
unsigned short json_len = 0;                           //json长度
 
/*-------------------------------初始化SIM800L-------------------------------------*/
void setupModem()
{
  pinMode(MODEM_POWER_ON, OUTPUT); //电源引脚
  pinMode(MODEM_PWRKEY, OUTPUT);   //开关机键引脚
 
  // 先打开SIM800L的电源
  digitalWrite(MODEM_POWER_ON, HIGH);
  //根据手册要求拉下PWRKEY 1秒钟以上 可以开机
  digitalWrite(MODEM_PWRKEY, HIGH);
  delay(100);
  digitalWrite(MODEM_PWRKEY, LOW);
  delay(1000);
  digitalWrite(MODEM_PWRKEY, HIGH);
  SerialMon.println("Initializing modem...");
  modem.init(); //开机后modem初始化一下
}
/*-------------------------------SIM800L连接GPRS-------------------------------------*/
void modemToGPRS()
{
  //连接网络
  SerialMon.print("Waiting for network...");
  while (!modem.waitForNetwork(240000L))
  {
    SerialMon.print(".");
    delay(500);
  }
  SerialMon.println(" OK");
  //连接GPRS接入点
  SerialMon.print(F("Connecting to APN: "));
  SerialMon.print(apn);
  while (!modem.gprsConnect(apn, gprsUser, gprsPass))
  {
    SerialMon.print(".");
    delay(10000);
  }
  SerialMon.println(" OK");
}
/*-------------------------------向云平台发送温湿度数据-------------------------------*/
void sendTempAndHumi()
{
  if (client.connected())
  {
    snprintf(msgJson, 40, dataTemplate, sht20.temperature(), sht20.humidity()); //将模拟温湿度数据套入dataTemplate模板中, 生成的字符串传给msgJson
    json_len = strlen(msgJson);                                                 //msgJson的长度
    msg_buf[0] = char(0x03);                                                    //要发送的数据必须按照ONENET的要求发送, 根据要求,数据第一位是3
    msg_buf[1] = char(json_len >> 8);                                           //数据第二位是要发送的数据长度的高八位
    msg_buf[2] = char(json_len & 0xff);                                         //数据第三位是要发送数据的长度的低八位
    memcpy(msg_buf + 3, msgJson, strlen(msgJson));                              //从msg_buf的第四位开始,放入要传的数据msgJson
    msg_buf[3 + strlen(msgJson)] = 0;                                           //添加一个0作为最后一位, 这样要发送的msg_buf准备好了
    Serial.print("public message:");
    Serial.println(msgJson);
    client.publish("$dp", (uint8_t *)msg_buf, 3 + strlen(msgJson)); //发送数据到主题$dp
  }
}
/*-------------------------------向云平台断线重连-------------------------------------*/
void clientReconnect()
{
  if (modem.isNetworkConnected())
  {
    while (!client.connected()) //再重连客户端
    {
      Serial.println("reconnect MQTT...");
      if (client.connect(mqtt_devid, mqtt_pubid, mqtt_password))
      {
        Serial.println("connected");
      }
      else
      {
        Serial.println("failed");
        Serial.println(client.state());
        Serial.println("try again in 5 sec");
        delay(5000);
      }
    }
  }
  else
  {
    Serial.println("网络断了,不可能连上了, 把数据存在本地等待下一次联网吧");
  }
}
 
void setup()
{
  pinMode(LED_G, OUTPUT);
  Wire.begin();
  sht20.begin();
  SerialMon.begin(115200);                                //初始化调试串口
  SerialAT.begin(115200, SERIAL_8N1, MODEM_RX, MODEM_TX); //初始化AT串口
 
  setupModem();  //SIM800L物理开机
  modemToGPRS(); //modem连接GPRS
 
  //连接OneNet并上传数据
  Serial.println("connecting to ALI IOT...");
  client.setServer(mqtt_server, 6002);                   //设置客户端连接的服务器,连接Onenet服务器, 使用6002端口
  client.connect(mqtt_devid, mqtt_pubid, mqtt_password); //客户端连接到指定的产品的指定设备.同时输入鉴权信息
  if (client.connected())
    sendTempAndHumi();
  else //如果客户端没连接ONENET, 重新连接
    clientReconnect();
  delay(500);
  //进入睡眠
  esp_sleep_enable_timer_wakeup(300000000);
  Serial.println("now sleep");
  esp_deep_sleep_start();
}
 
void loop()
{
  client.loop();
} 
            编码器是一种用来测量机械旋转或位移的传感器。它能够测量机械部件在旋转或直线运动时的位移位置或速度等信息,并将其转换成一系列电信号。
Arduino-ESP32与ESP-IDF的版本对应表。
Arduino-ESP32提供了多种文件系统解决方案,本文将深入解析SPIFFS、LittleFS和SD卡三种主流存储方案,帮助你做出最佳选择。
ESP32-P4-WIFI6-DEV-KIT是一款微雪(Waveshare)设计的基于 ESP32-P4 的多媒体开发板,并集成 ESP32-C6,支持 Wi-Fi 6 和 BLE 5 无线连接。它提供丰富的人机交互接口,包括 MIPI-CSI (集成图像信号处理器 ISP)、MIPI-DSI、SPI、I2S、I2C、LED PWM、MCPWM、RMT、ADC、UART 和 TWAI 等。
 
            ESP-Hosted 解决方案提供了将 ESP 板用作 Wi-Fi 和 Bluetooth/BLE 连接的通信处理器的方法。
ESP-Hosted 提供了一种将ESP芯片和模组用作通信协处理器的解决方案,该解决方案为主机微处理器或微控制器提供无线连接,使主机能够与其他设备通信。简单来说为网卡方案。
Arduino+ESP32上使用TFT_eSPI库快速点亮这个屏幕,驱动芯片ST7789
本文给出了一个ESP32与SPI 接口TFT显示屏接线的详细说明,供大家参考。
本文讲解如何在Micropython环境下使用ESP32的ESPNow功能进行数据传输。
ESP-Dongle 是一款基于 ESP32-S3 芯片开发的多功能 USB Device 解决方案。它不仅外形小巧,功能齐全,更集成了无线 U 盘、SD 卡读取以及 USB 无线网卡等多项功能。
 
            ESP32 系列芯片可以利用 CSI 数据实现动作检测和存在检测。无论是自动调节灯光、风扇,还是节能控制,CSI 技术为智能家居带来了新的可能性。随着 CSI 技术的发展,未来的智能家居将能够更精确地感知和响应我们的行为,实现更高效、更人性化的控制。
