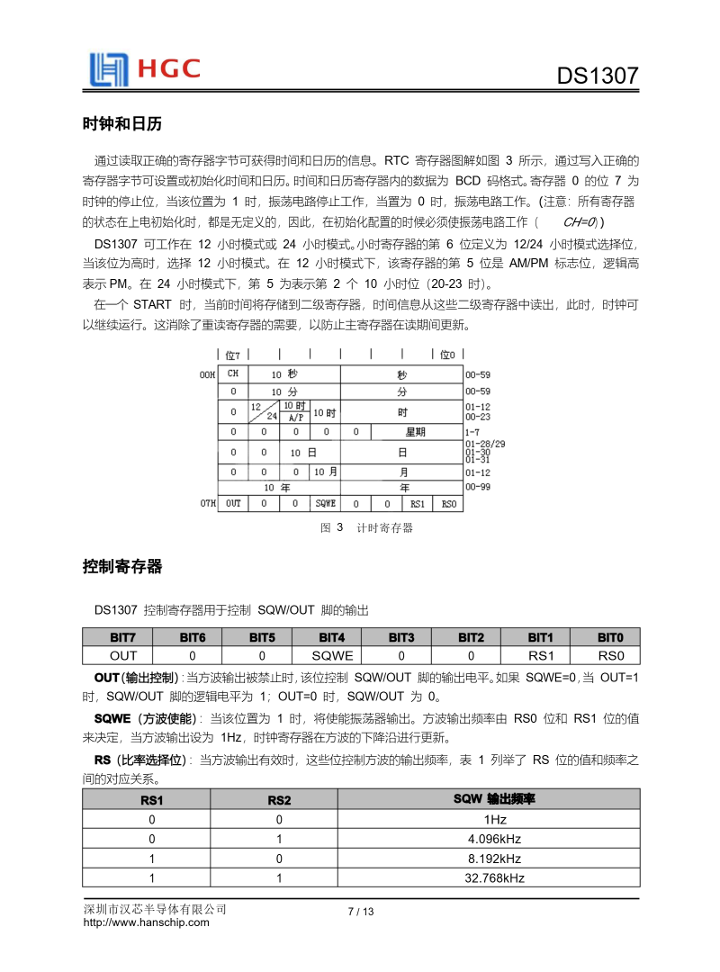
DS1307中文手册

DS1307是Maxim的串行、I2C实时时钟芯片。

主要特性有:

  • 工作电压:主电源电压4.5~5.5V,电池电压2.0~3.5V
  • 功耗:电池供电、备份模式时<500nA
  • 接口:I2C,最大速率100kbps
  • 可编程方波输出
  • 电源自动切换、失效检测
  • 内置56字节大小、支持电池备份的RAM
  • 封装:8-Pin SO/PDIP
余下 3页 请下载后查看。
资源均来自互联网,如有侵权,请联系我们删除;
资源版权归原作者所有,如需商用,请联系作者;
09-29   阅读(278)
标签: 创客 传感器

涨知识
智能体

智能体(Agent)是指能够感知环境并采取行动以实现特定目标的代理体。它可以是软件、硬件或一个系统,具备自主性、适应性和交互能力。智能体通过感知环境中的变化(如通过传感器或数据输入),根据自身学习到的知识和算法进行判断和决策,进而执行动作以影响环境或达到预定的目标。

相关资源
DHT11温湿度传感器 Arduino库

DHT11数字温度 - 湿度传感器是一种包含校准数字信号输出的复合传感器。它采用特殊的数字模块采集技术和湿度 - 温度传感器技术,确保高可靠性和出色的长期稳定性。