按键实际上是一个开关,是最常见的输入方式,可用来做控制动作,如点亮LED,控制继电器等
那么按键动作如何转换为输入信号呢?
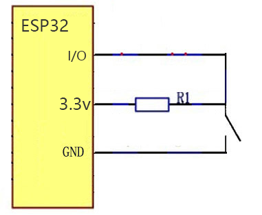
常见的按键电路如下图所示进行连接

当按键断开时,I/O引脚为高电平(HIGH), 当按键闭合时,I/O引脚与GND连接,为低电平(LOW)
这样就把按键信号变为一个数字输入信号(0或1)
本小使用的按键模块

下面用示例来说明其使用方法
从 https://gitee.com/billyzh/esp32-cpp-lesson 下载本教程的源码到本地硬盘文件夹,如d:\esp32-cpp-lesson
在VSCode中,选择【文件】->【打开文件夹...】选择上一步保存的文件夹打开
选择config.h文件,修改第10行为
#define APP_LESSON31 1
打开unit3-lesson31/board_config文件,设置器件使用的引脚,
#define MANUAL_BUTTON_PIN GPIO_NUM_34
创建按键实例
创建OneButtonImpl类实例,代码如下(unit3-lesson31/my_board.cpp):
MyBoard::MyBoard() : Board() {
Log::Info(TAG, "===== Create Board ...... =====");
Log::Info(TAG, "initial led.");
led_ = new GpioLed(BUILTIN_LED_PIN, false); // no pwm
std::shared_ptr<Button> button1 = std::make_shared<OneButtonImpl>(kManualButton, MANUAL_BUTTON_PIN, false);
button1 ->BindAction(ButtonAction::Click);
button1 ->BindAction(ButtonAction::DoubleClick);
AddButton(button1);
Log::Info( TAG, "===== Board config completed. =====");
}
void MyBoard::ButtonTick() {
for (const auto& pair : button_map()) {
pair.second->Tick();
}
}
程序解读
1. button1变量为Button类型的智能指针,关于智能指针请参考相关教程;
2. OneButtonImpl是一个封装OneButton库的类,它的构造函数有3个参数,第1个参数按键名,第2个为连接的引脚号,第3个参数指明当按键按下时引脚是否为低电平;
3. OneButtonImpl类有两种方式绑定动作执行代码,BindAction和OnClick/OnDoubleClick/OnLongPress;
4. BindAction是Button类中用来绑定默认动作的方法,它将按键动作与Application类的OnPhysicalButtonEvent方法进行绑定,此处绑定了单击动作和双击动作;
5. ButtonTick方法用来计算是否有按键动作发生,需要在OnLoop方法内调用;
更多OneButtonImpl类描述,请查看相关文档和源码。
按键控制LED闪烁
闪烁代码如下(unit3-lesson31/my_application.cpp):
void MyApplication::OnLoop() {
MyBoard *board = (MyBoard*)(&Board::GetInstance());
board->ButtonTick();
delay(1);
}
bool MyApplication::OnPhysicalButtonEvent(const std::string& button_name, const ButtonAction action) {
if (button_name == kManualButton) {
Led *led = Board::GetInstance().GetLed();
if (action == ButtonAction::Click) {
led->TurnOn();
delay(1000);
led->TurnOff();
delay(1000);
} else if (action == ButtonAction::DoubleClick) {
for (int i=0; i<3; i++) {
led->TurnOn();
delay(1000);
led->TurnOff();
delay(1000);
}
}
return true;
}
return Application::OnPhysicalButtonEvent(button_name, action);
}
程序解读
1. 在OnLoop方法中调用ButtonTick,用于计算是否有按键动作发生;
2. 重载Application类的OnPhysicalButtonEvent方法,响应按键动作,此方法的第1个参数是按键名称(调用构造函数时指定的),第2个参数是按键动作类型ButtonAction,ButtonAction是枚举类型,定义了Click、DoubleClick、LongPress等值;
3. 本例单击处理代码为LED闪烁1次、双击处理代码为LED闪烁3次;
4. 对于其他按键事件,调用父类的OnPhysicalButtonEvent方法,这也是重载方法的一种典型用法:即重载方法里只处理相关逻辑,其余的交给父类处理;
编译项目并上传开发板检验
上面的例子中,设计了一个按键的交互流程,即:
1.在Board派生类中使用BindAction方法绑定要处理的事件(支持单击、双击和长按);
2.在Application派生类中重载OnPhysicalButtonEvent方法,编写具体处理代码;
实现这个交互流程的核心代码如下:
(src/frameowrk/board/onebutton_impl.h文件):
void OnEvent(const ButtonAction action) {
Board& board = Board::GetInstance();
board.OnPhysicalButtonEvent(name(), action);
}
void BindAction(ButtonAction action) override {
if (action == ButtonAction::Click) {
OnClick([action, this]() {
OnEvent(action);
});
}
......
}
在实现类的BindAction方法中,设置事件响应方法,这里是一个lambda表达式,调用了OnEvent方法
在OnEvent方法中调用board类的OnPhysicalButtonEvent方法,然后再调用Application类的OnPhysicalButtonEvent方法
如要定制Button类的实现,只需要做类似处理,就可以保障按键交互流程不变。
使用此交互方式,可以形成标准化的按键业务处理流程,便于代码开发、移植和管理
作业:
另找一个第三方按键库,将其封装为Button类的实现。
AMR是Autonomous Mobile Robot的缩写,即自主移动机器人,是集环境感知,动态决策规划,行为控制与执行等多功能于一体的综合系统。
本小节主要介绍Ws2812灯珠的使用、对父类进行扩展实现自定义功能,和指针向下强制转换的使用。
本小节主要介绍RGB三色LED的使用,以及多态的具体实现。
ESP32 Arduino Framework是专门针对ESP32开发板的Arduino应用开发框架,为用户开发IOT应用、HMI应用提供一致的开发体验。
ESPConnect是一个基于现代浏览器的管理器,在你需要快速验证、调试、管理文件、检查状态的时候,它能帮你省下大量打开和切换重型工具的时间。
本文介绍两种使用TEA5767收音机模块实现FM收音机的方案,感兴趣的朋友可在此基础上实现更丰富的功能。
GPIOViewer 是一个强大的 Arduino 库,专门为 ESP32 芯片设计,可以实时监控 ESP32 芯片上的所有 GPIO 引脚状态。它可以帮助你快速直观地了解每个引脚的当前状态,例如高电平、低电平、输入、输出、中断等等。
在音频处理领域,I2S是一种广泛使用的通信协议,它专门用于芯片之间的音频数据传输。ESP32 作为一款高性能的微控制器,不仅支持 I2S 通信,还提供了强大的硬件接口和灵活的软件库,使其成为音频项目开发的理想选择。
小鹏物联网智能浇花系统是照顾植物的好帮手,支持自动控制和手动控制两种模式,可通过电脑端和手机端查看数据和控制浇水。
Arduino开发环境下适用于ESP32芯片系列开发板的应用开发框架。
本小节主要介绍C++ 类相关的基础知识,包括类的定义、继承、多态,范围作用域等。