2022年这本经典科普书推出了第二版
作者Charles Petzold老爷子在新增部分内容的同时
  还制作了一个交互学习的网站:https://www.codehiddenlanguage.com/
  中文版本:https://www.xpstem.com/app/codehl/
简单介绍几个交互电路
用开关、电池、灯泡和导线组成的简单电路
  来实现基本的逻辑运算
 
用开关体验串联和并联的电路
 
继电器优于开关之处就在于,继电器可以被其他继电器所控制
而不必由人工控制
  继电器的核心优势在于其能够通过电信号控制其他电路,从而实现自动化。
  通过组合继电器,可以构建复杂的逻辑网络,甚至实现算术操作。
三八译码器,用于显示三位二进制数的十进制值
 
加法计算就是计算机要做的唯一工作。
  用继电器组成的逻辑门就能搭建一个加法器
 
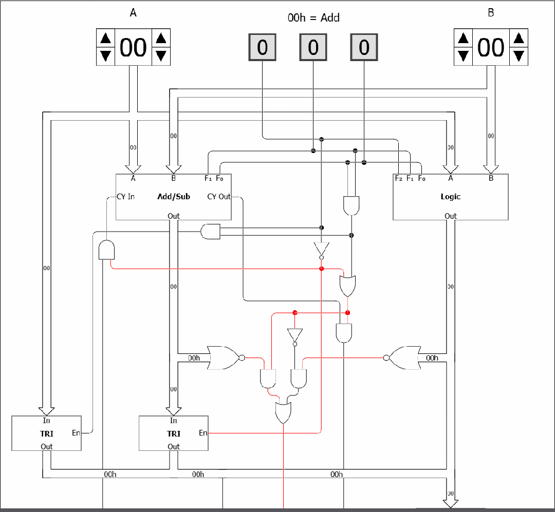
算术逻辑单元结合了加减法单元和逻辑单元
  通过这个ALU体验一下经典处理器Intel 8080的功能子集
 
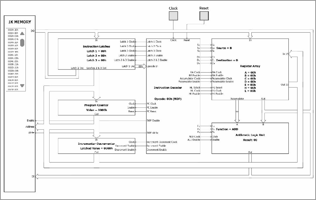
接下来我们来尝试搭建CPU
  它将执行经典Intel 8080微处理器的指令子集
 
从最原始的开关到继电器,再到逻辑门,加法器……再到手搓一个CPU出来的电路,这个网站里面都有
而且都是可以交互的
  通过点击和调试,切身体会计算机是怎么一步一步搭建的
 
            四位数码管是一种常见的LED显示器件,主要用于显示数字信息。
本章将创建一个应用,将Android手机变成LEGO MINDSTORMS NXT 机器人的遥控器。
Queue 库提供了一个通用的 C++ 动态队列实现,专为在 Arduino 项目中使用而定制。
 
            本文是Autodesk Tinkercad团队为了支持‘Hour of Code™’ 一小时编程而准备的参考资料之一。
 
            本章将创建一款“开车不发短信”的应用,让你在开车时能够自动回复收到的短信。
由于Scratch软件界面显示和国内等级考试大纲用词不同,部分名词出现了两种称呼。例如指令模块(积木)、程序区(代码区),其实表达的是一个意思。
未来是AIOT时代,更是人才的竞争。时代对人才有了新的要求,您是否准备好了呢?
树莓派开发板,也是有核心处理器、主板、”硬盘”(emmc或者TF卡)、电源等组成。
CCF GESP第十次认证时间为2025年6月28日,认证方式为全国各GESP考点上机考试。
虽然Blockly定义了许多标准块,但是大多数应用程序需要定义和实现至少几个与域相关的块。