示例程序
1.Arduino程序
#include <Adafruit_NeoPixel.h>
Adafruit_NeoPixel rgb_display_10 = Adafruit_NeoPixel(12,10,NEO_GRB + NEO_KHZ800);
void setup(){
rgb_display_10.begin();
}
void loop(){
for (int i = 1; i <= 12; i = i + (1)) {
rgb_display_10.setPixelColor((i)-1, ((((i * 21) & 0xffffff) << 16) | ((0 & 0xffffff) << 8) | 0));
rgb_display_10.show();
delay(200);
rgb_display_10.setPixelColor((i)-1, (0xffff00));
rgb_display_10.show();
delay(200);
}
}
2.ESP32 MicroPython程序
import machine
import neopixel
import time
rgb = neopixel.NeoPixel(machine.Pin(2), 12)
while True:
for i in range(0, 12, 1):
rgb[i] = (100, 0, 0)
rgb.write()
time.sleep(1)
for i in range(0, 12, 1):
rgb[i] = (0, 0, 0)
rgb.write()
time.sleep(1)
资料
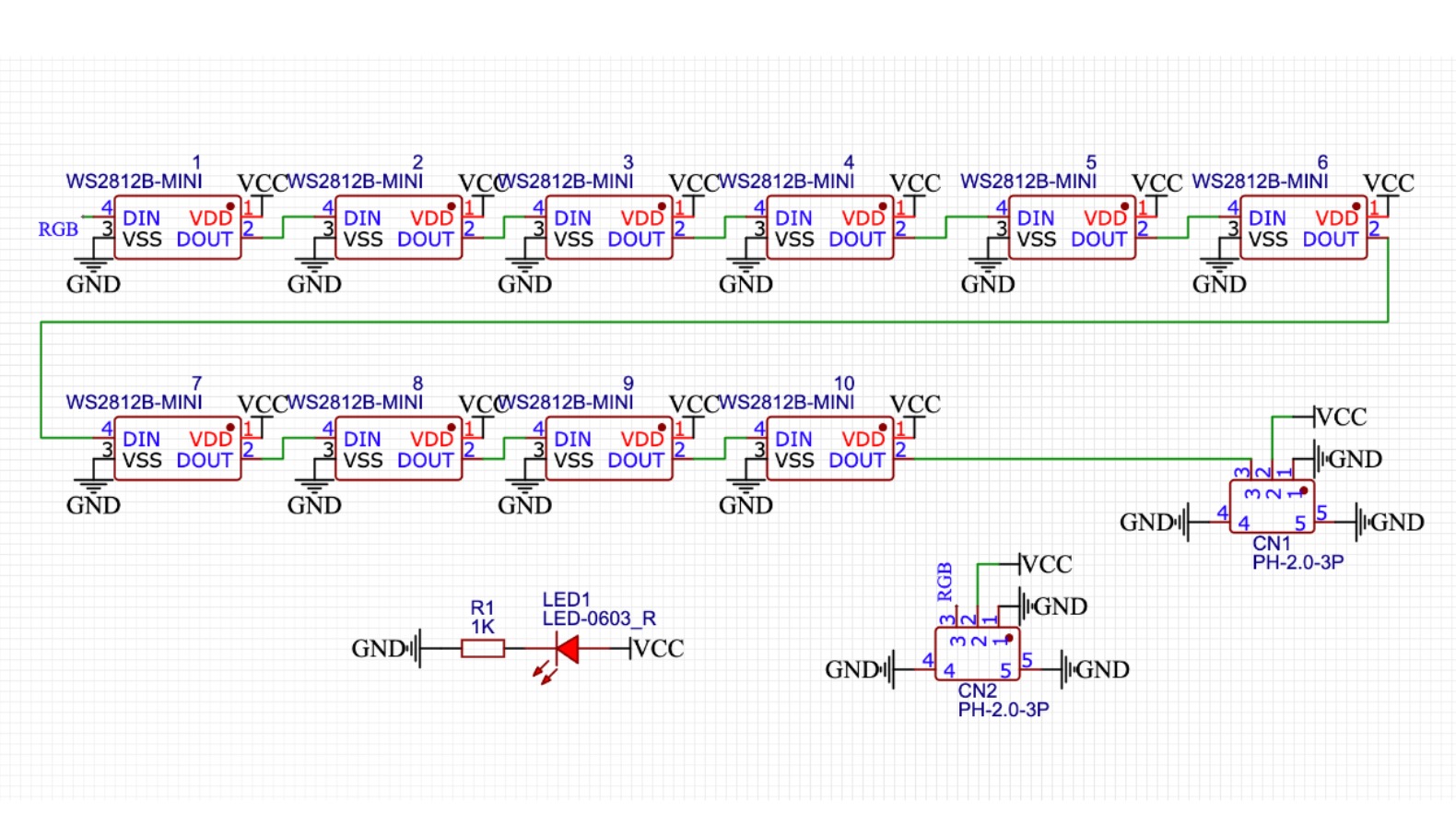
原理图

WS2812B 规格书