 
            智能体(Agent)是指能够感知环境并采取行动以实现特定目标的代理体。它可以是软件、硬件或一个系统,具备自主性、适应性和交互能力。智能体通过感知环境中的变化(如通过传感器或数据输入),根据自身学习到的知识和算法进行判断和决策,进而执行动作以影响环境或达到预定的目标。
ESP32-P4 采用 400MHz 双核 RISC-V 处理器,支持最大 32MB PSRAM,具备 USB 2.0、MIPI-CSI / DSI 和 H.264 编码等外设,满足低成本、高性能和低功耗的多媒体开发需求。
 
            本产品是一款 2.8 寸且自带 ESP32-S3 主控的 IPS 显示模块,采用 ILI9341V 屏显驱动 IC,分辨率为 240x320,内置麦克风和音频编解码芯片,提供 音频喇叭、锂电池、MicroSD 卡、串口、I2C、扩展 IO 等外设接口。
 
            DS1307是Maxim的串行、I2C实时时钟芯片。
灵感来自亚历山大·霍罗伊德 (Alexander Holroyd) 的伟大设计和机制。
 
            此款TFT LCD模块采用4线制SPI通信方式,驱动芯片为ILI9341,分辨率为240x320,带有触摸功能(可选)。模块包含有显示屏、背光控制电路以及触摸屏控制电路。
 
            3.5 寸 IPS 彩色液晶显示模块,采用 4 线制 SPI 接口只需 5 个 IO 即可实现显示, 320x480 高清分辨率,可应用于各种需要屏显功能的产品。
 
            ESP32 是一款微控制器,为蓝牙 A2DP 提供 API,可用于接收声音数据,例如从您的手机,并通过回调方法提供。输出是 PCM 数据流,从 SBC 格式解码。
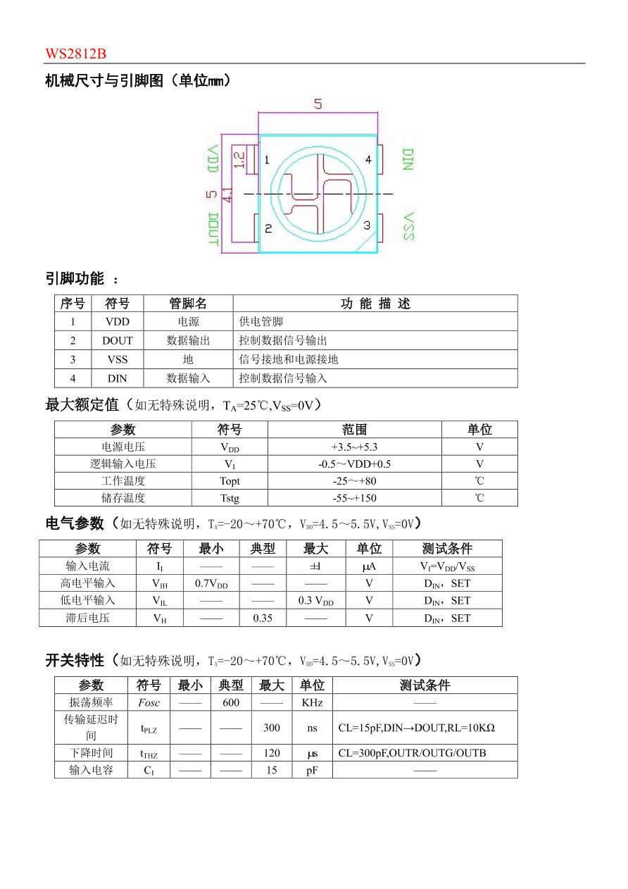
WS2812B是一个集控制电路与发光电路于一体的智能外控LED光源。其外型与一个5050LED灯珠相同,每个元件即为一个像素点。
L9110S是为控制和驱动玩具马达设计的双通道推挽 式功率放大专用集成电路器件,将分立电路集成在 单片IC之中,使外围器件成本降低,整机可靠性提高。
 
            NS4168 是一款支持 I2S 数字音频信号输入,输出具有防失真功能,2.5W 单声道 D 类音频功率放大器。NS4168 特别适用于对功耗敏感而产生干扰的环境。比如蓝牙音响,WiFi 音响,平板电脑等。
 
            


