小鹏STEM
首页
主题
课程
赛事
产品
服务
创作
内容
文章
资源
课件
应用
Mixly图形化编程
机器人技术等级考试题库
小智AI控制台
小鹏IoT系统
三阶魔方
登录
注册
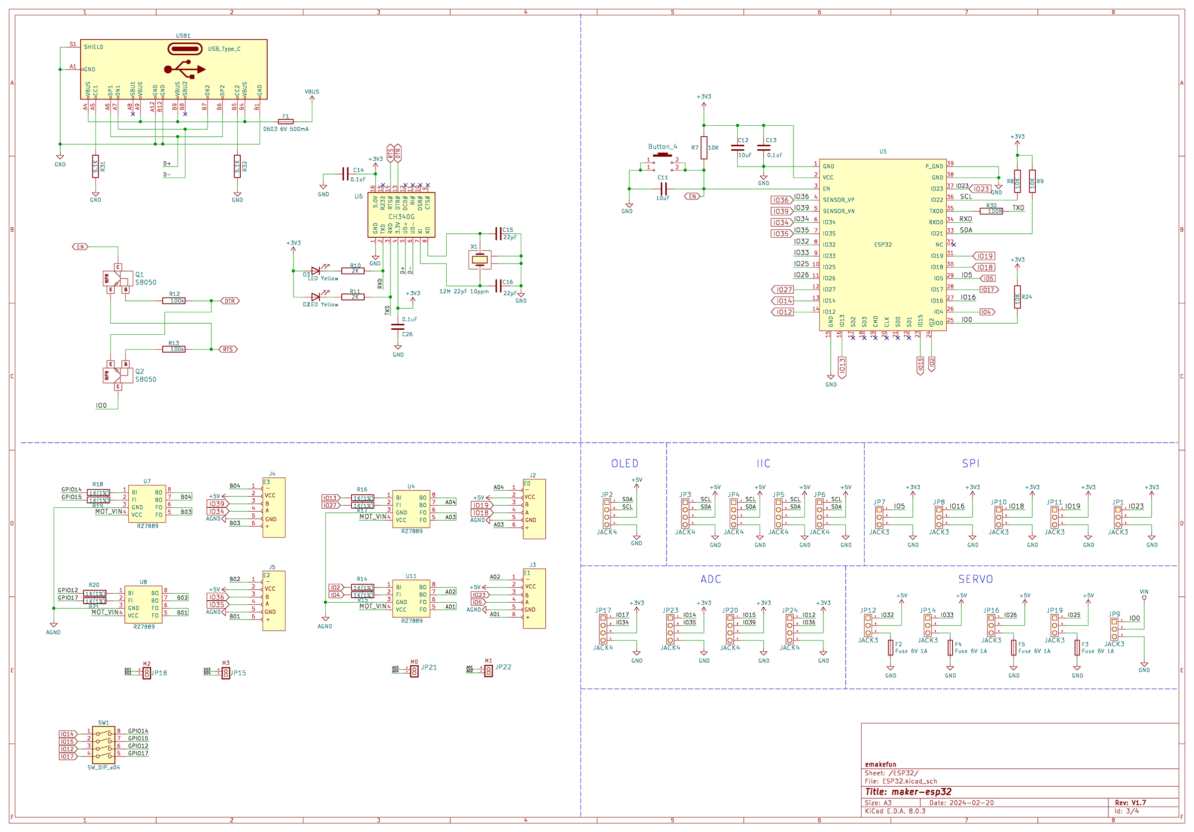
ESP32电机驱动开发板
基于 ESP32-WROOM-32 模组的电机驱动开发板,板载4路编码电机和直流电机,最大驱动电流3A。
创客
ESP32
乐高拼搭兼容
产品
详情
指南
问题
电路图
最新文章
小鹏物联网 MicroPython 自动浇花方案
MIT麻省理工提供给孩子们的免费AI教学平台!
科协出新规,青少年科创类赛事规范性提高
用ESP32做一个FM收音机
小鹏物联网自动浇花套件
ESP32 Arduino 开发框架
2025编程教育全面走进我国中小学,站在风口,让孩子未来多一条 “黄金赛道”!
适合学习物联网的几款盒子
小鹏物联网 MicroPython 图像采集方案
核心素养国际经验——芬兰的跨学科素养课程改革
最新资源
人工智能学生使用指南(2025版 | 中文完整版)
面向机器人主题的STEAM课程设计PPT
STEM课程与项目式学习PPT
STEM教育教师教学能力标准
WM8978中文手册
教育强国建设规划纲要(2024—2035年)
ESP32-P4-WIFI6开发板资料
ESP32-S3 2.8寸显示屏开发板
DS1307中文手册
动态八爪鱼
登录
×
手机号:
密码:
忘记密码?
微信扫码登录
×