一、单选题(共20题,共80分)
1) TCP/IP四层模型中,IP协议对应的是?( )
查看答案
2) 浏览网页时,应用层使用的协议是?( )
查看答案
3) IPV4地址的表示格式为X.X.X.X,其中X的范围是?( )
查看答案
4) 一台拥有IP地址的主机,通过“IP地址+端口号”来提供多种服务,终端仿真协议(Telnet)所对应的端口是?( )
查看答案
5)
如下图所示,ESP32主控板A和C通过WIFI连接到主控板B,主控板A的工作模式是?( )

查看答案
6) I2C串行通信,当总线空闲时,串行时钟线SCL的电平状态是?( )
查看答案
7) I2C串行通信有两根数据线,分别是?( )
查看答案
8) ESP32 for Arduino I2C类库的下列成员函数中,用于主设备向从设备发送读取数据请求的成员函数是?( )
查看答案
9) ESP32 for Arduino I2C类库的成员函数beginTransmission(),下列描述正确的是?( )
查看答案
10) MPU6050姿态传感器中,用于返回角速度的功能单元是?( )
查看答案
11) SPI通信,主机向从机发送数据的数据线是?( )
查看答案
12) SPI通信,下列选项中,关于数据线SCLK描述正确的是?( )
查看答案
13) 关于步进电机,以下说法中不正确的是?( )
查看答案
14) 下列选项中,检测网络环境下设备之间是否连通的命令是?( )
查看答案
15) 步进电机类库AccelStepper的成员函数中,设定恒速转动时步进电机转动速度的成员函数是?( )
查看答案
16) HTTP请求报文头部的结束符是?( )
查看答案
17) ESP32 for Arduino 提供的WiFi类库的成员函数中,用于设定ESP32主控板为STA模式的成员函数是?( )
查看答案
18)
ESP32 主控板与外设模块通过I2C进行通信,部分程序如下,下列选项中,关于参数A说法正确的是?( )

查看答案
19) 24BJY48步进电机的转动控制,使用0/1表示电源的关闭和导通,当发送给步进电机的控制参数序列为[B1000,B0100,B0010,B0001,B1000]时,步进电机的通电方式是?( )
查看答案
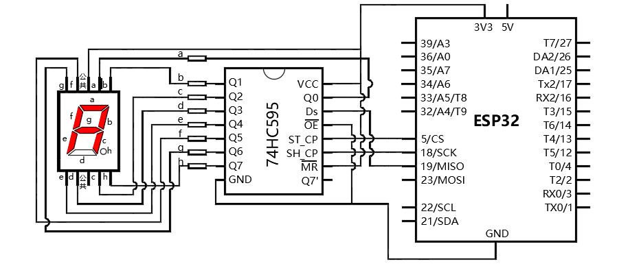
20)
一位共阳数码管和74HC595移位寄存器芯片连接如下图所示,数码管显示字符为“A”,使用shiftout函数向74HC595发送数据,下列选项中正确的程序是?( )

查看答案
二、多选题(共5题,共10分)
21) 下列选项中,ESP32 WROOM模组所能提供的通信方式有?( )
查看答案
22) 使用本地计算机进行网页浏览时,下列说法正确的有?( )
查看答案
23) ESP32 for Arduino SPI类库的成员函数setBitOrder(bitOrder)中,参数bitOrder的选择有?( )
查看答案
24) MPU6050姿态传感器的角速度传感器单元可以设置如下不同的量程,下列选项中关于测量精度说法正确的是?( )
查看答案
25) HTML文档结构主要包含有?( )
查看答案
三、判断题(共5题,共10分)
26) TCP/IP协议是协议家族的统称,不是指某一特定的协议。( )
查看答案
27) IPv6地址长度为128位,由8个段组成。( )
查看答案
28) SPI通信采取主从模式,每个从设备都有一个唯一的地址。( )
查看答案
29) I2C串行通信,主设备发送数据的同时,同步从从设备接收数据。( )
查看答案
30) HTTP请求GET方法的功能是客户端向服务器端发送更改数据请求。( )
查看答案