一、单选题(共20题,共80分)
1) ESP32 for Arduino,函数digitalWrite(pin,val)中val的值为1时,引脚pin输出的电压通常是?( )
查看答案
2) 通常情况下,8x8LED点阵的显示方式是?( )
查看答案
3) ESP32 for Arduino,下列选项中,提供16通道模拟输出的外设是?( )
查看答案
4) ESP32 for Arduino,下列选项中,用于读取电容触摸传感器返回值的函数是?( )
查看答案
5) ESP32 for Arduino采用LEDC方式进行模拟输出时,向指定通道输出模拟信号的函数是?( )
查看答案
6) ESP32 for Arduino,下列选项中,可用于设置analogRead()函数取样分辨率的是?( )
查看答案
7) ESP32 for Arduino函数ledcSetup(channel,freq,bit_num)中,表示输出通道号的参数是?( )
查看答案
8) UART数据帧中为高电平的是?( )
查看答案
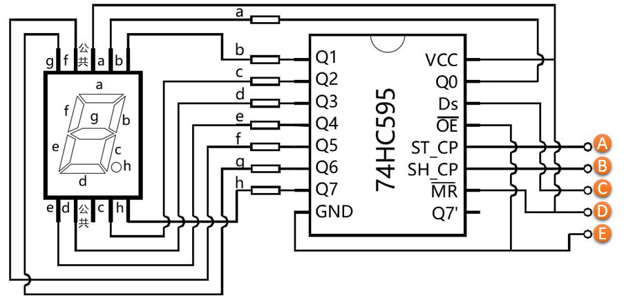
9)
使用74HC595移位寄存器芯片控制一位数码管,电路连接如下图所示,引脚A是?( )

查看答案
10) 通过串口发送数据,程序如下,当校验位数据为0时,采用的数据校验方式是?( )
Serial.print(0xFF);
查看答案
11)
ESP32 for Arduino程序如下,串口监视器显示的结果是?( )

查看答案
12) ESP32 for Arduino中,程序Serial.printf()中表示换行的格式字符是?( )
查看答案
13) 0x69 >> 2的值是?( )
查看答案
14) 0x56 ^ 0xFB的结果是?( )
查看答案
15) String类库的成员函数indexOf(),下列选项中,描述正确的是?( )
查看答案
16) ESP32 for Arduino 所提供EEPROM类库的成员函数中,用于设定EEPROM容量大小的成员函数是?( )
查看答案
17)
通过shiftOut()函数向级联74HC595移位寄存器芯片DS引脚发送数据,移位寄存器中的数据如下,下列选项中,所对应的程序是?( )

查看答案
18)
电路搭设和对应的程序如下,当按键开关S1断开时,LED灯点亮,程序中A和B分别是?( )

查看答案
19)
ESP32 for Arduino,下列程序的运行结果是?( )

查看答案
20)
ESP32 for Arduino,字符串报文strData定义如下,下列选项中,可正确提取报文中数值的程序是?( )
String strData = "AGE:18";
查看答案
二、多选题(共5题,共10分)
21) 下列选项中,关于ESP32 WROOM模组蓝牙通讯说法正确的有?( )
查看答案
22) 下列选项中,ESP32 WROOM模组所具备的外设有?( )
查看答案
23)
ESP32 for Arduino,电路如图所示,当按键按下时触发中断,对应的中断触发模式是?( )

查看答案
24)
ESP32 for Arduino,程序行如下,其中参数mode的值可以为?( )
pinMode(pin, mode);
查看答案
25) 下列选项中,具有置位功能(将指定位设置为1)的函数有?( )
查看答案
三、判断题(共5题,共10分)
26) sizeof(val)是Arduino C语言的操作符,返回参数val所占用内存的字节数。( )
查看答案
27) UART通信中,一端设备的TX引脚与另一端设备的RX相连接。( )
查看答案
28) 可通过ESP32主控板的霍尔传感器检测磁场的强度变化,周边磁场越强,输出的值越大。( )
查看答案
29) 机械按键开关的抖动次数是随机的。( )
查看答案
30) Millis()函数返回程序自开始至当前的毫秒数。( )
查看答案