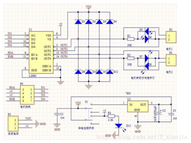
L298N模块可驱动2个直流电机,支持正、反转功能。
模块电路图

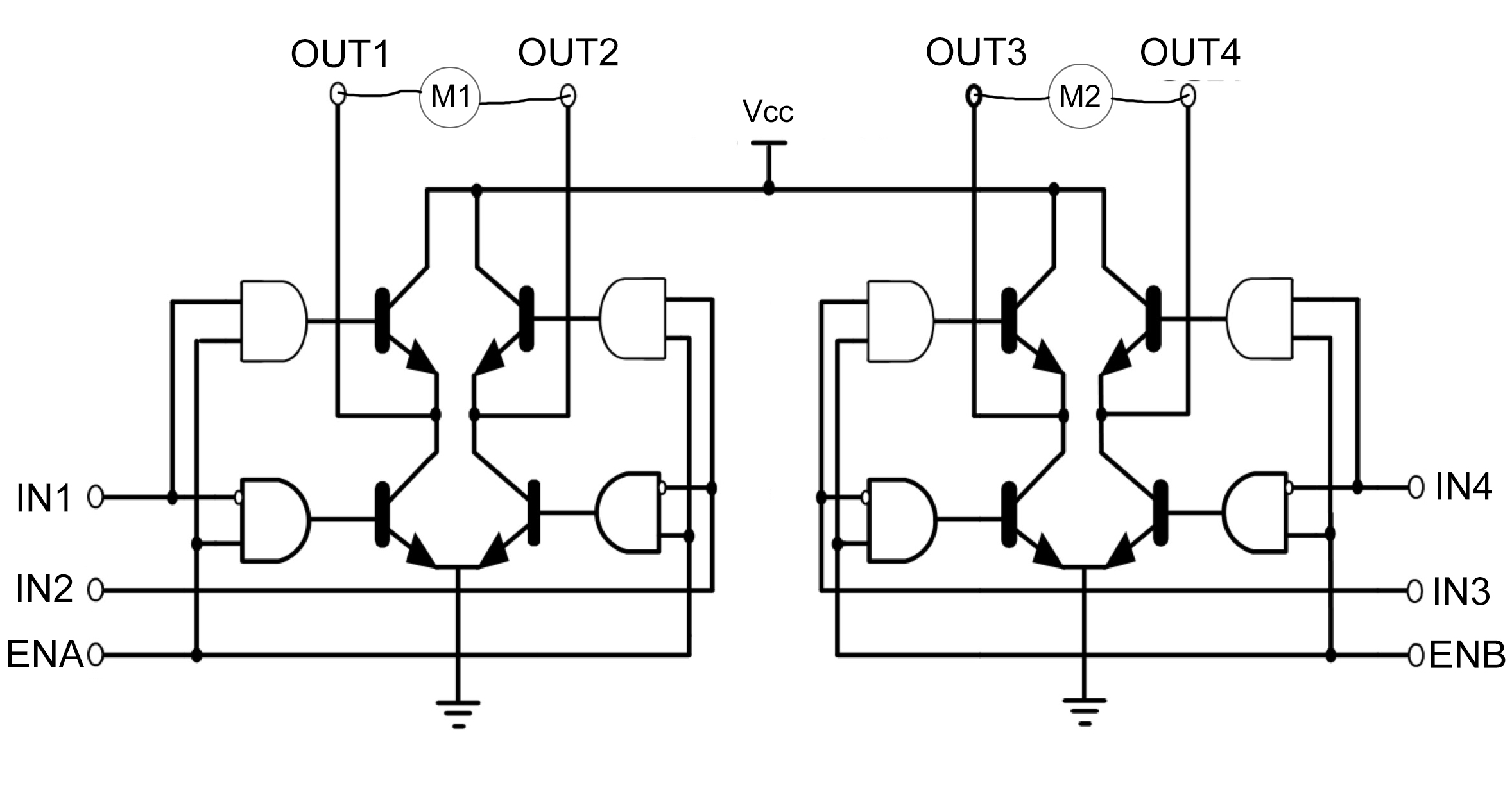
控制电路图

控制方式及电机状态表如下:
ENA IN1 IN2 状态
0 X X 停止
1 0 0 制动
1 0 1 正转
1 1 0 反转
1 1 1 制动
若要对直流电机进行PWM调速,需设置IN1和IN2,确定电机的转动方向,然后对使能端输出PWM脉冲,即可实现调速。
注意当使能信号为0时,电机处理自由停止状态;当使能信号为1,且IN1和IN2为00或11时,电机处于制动状态,阻止电机转动。
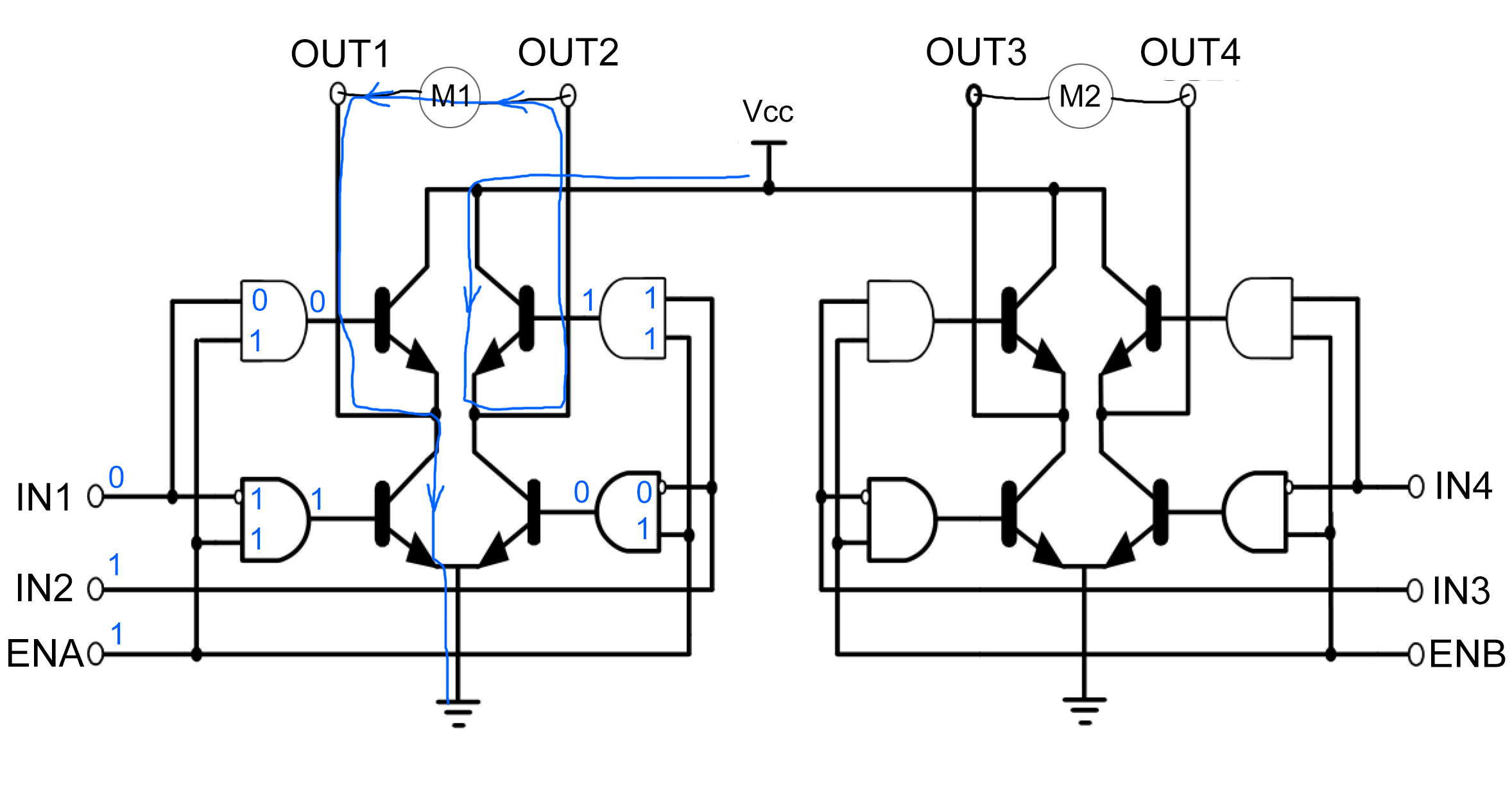
反转
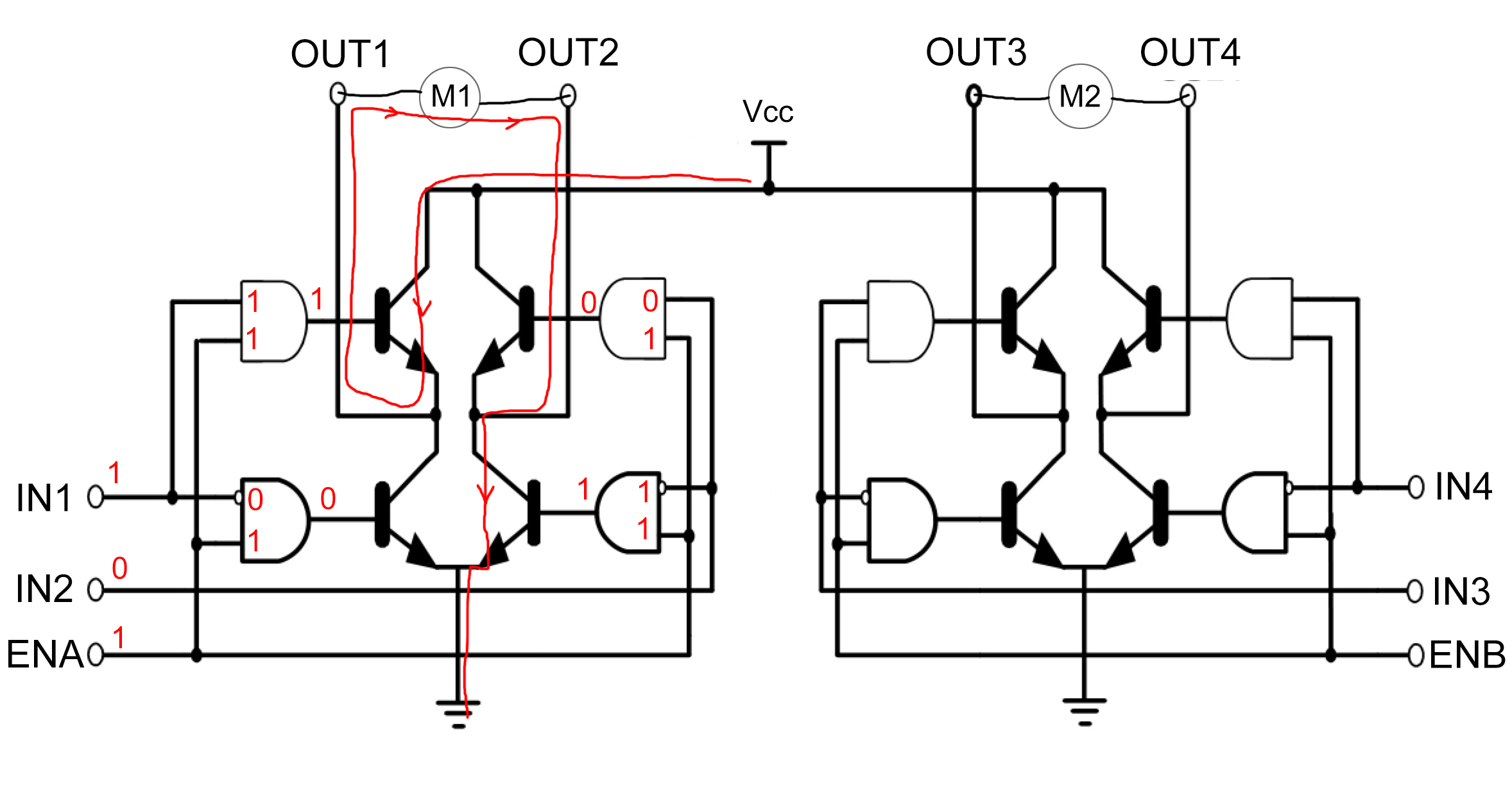
正转

RISC-V(发音为“risk-five”)是一个基于精简指令集(RISC)原则的开源指令集架构(ISA)。RISC-V指令集可以自由地用于任何目的,允许任何人设计、制造和销售RISC-V芯片和软件。
74HC595是一个8位串行输入、并行输出的位移缓存器。并行输出为三态输出。
74HC595是一个8位串行输入、平行输出的移位缓存器:平行输出为三态输出。