74HC595是一个8位串行输入、平行输出的位移缓存器:平行输出为三态输出。在SCK的上升沿,单行数据由SDL输入到内部的8位位移缓存器,并由QA~QH输出,而平行输出则是在LCK的上升沿将在8位位移缓存器的数据存人到8位平行输出缓存器。当串行数据输人端OE的控制信号为低使能时,平行输出端的输出值等于平行输出缓存器所存储的值。而当OE为高电位,也就是输出关闭时,平行输出端会维持在高阻抗状态。

74HC595引脚图

74HC595管脚功能
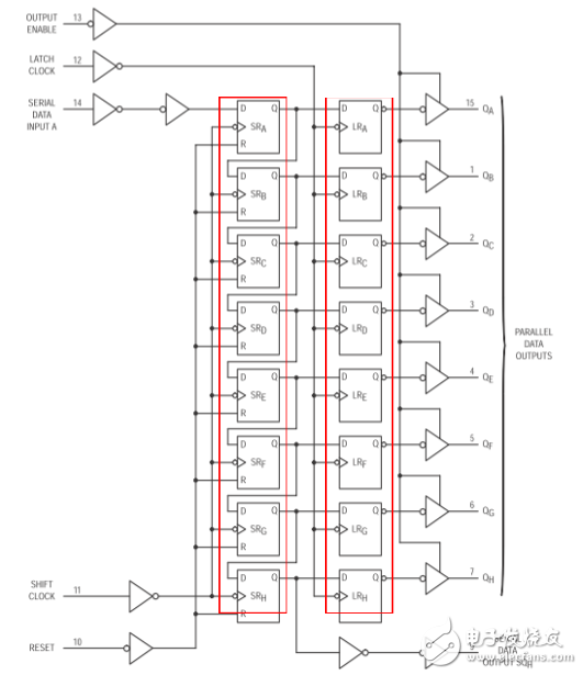
下面这个74HC595芯片逻辑图,输出使能端13脚我们一直让它使能,复位端10脚我们一直让它无效,这两个引脚在硬件设计时为了方便,就直接给它们连到相应的电平上了。程序中我们只需要关注数据输入引脚14脚、移位脉冲引脚11脚和锁存脉冲引脚12脚。

图中的SRA——SRH是移位寄存器(ShiftRegister),数据从它们的D引脚输入,从Q引脚输出,每次移位脉冲引脚(ShiftClock)提供一个脉冲,D引脚的数据就会输出并保持到Q引脚,因为这里的移位脉冲引脚(ShiftClock)是连到每一个SR上的,所以自然每次给一个移位脉冲的时候,所有的数据都向后移动了一位。
这里我们注意到,SRA的D脚连接的是串行数据输入,也就是我们的数据引脚。所以每次给脉冲移位之前,我们需要准备好该引脚的值,因为每次给一个脉冲,它的数据就会移入后方。
很直观的看到,我们给几个脉冲,数据引脚就会有几次被移入移位寄存器,并且这些值会保持在各个SR的Q脚。所以假设我们要将一个字节移入移位寄存器,因为1个字节是8位的,所以我们需要给出8个脉冲,那么SRA——SRH的Q脚就保持了这8位值,再看看这8位值,它是先在数据引脚输出的值就会走得越远,所以如果我们先输出数据高位的话,最高位在8个脉冲后就会跑到SRH的Q脚。这就像我们排队一样,一个寄存器里面有8个位置,每次给一个脉冲就好比一次呼叫:“大家可以往前移一位了!”就这样,队伍不断得往前移。
然后我们看到LRA——LRH,它们是锁存寄存器(LatchRegister),每次锁存脉冲引脚(LatchClock)给一个脉冲,Q脚就会输出并保持D脚的值。LR和SR其实是差不多的功能,只是SR多了个复位脚。
我们可以把LR看成是照相机,锁存脉冲引脚就相当于是照相机的快门,我们给一个锁存脉冲,那么数据就被锁存在了对应的Q脚。而当我们没有操作锁存引脚的时候,照相机只是摆在那里,不管队伍怎么前进了,照相机的输出始终是不变的。只有某次按下了快门,所有的照相机的照片就都更新了一次。
大概有人会问,图中的三角形加小圆圈是什么呢?那是非门,说白了就是如果它前面是0,后面就是1;前面是1,后面就是0。还有就是贴在方形锁存器上的那些小圆圈,也是起到反向的左右。
Q0--Q7:八位并行输出端,可以直接控制数码管的8个段。
Q7:级联输出端。将它接下一个595的DS端。
DS:串行数据输入端,级联的话接上一级的Q7。
/MR(10脚):低电平时将移位寄存器的数据清零。通常我将它接Vcc。
SH_CP(11脚):上升沿时数据寄存器的数据移位。Q0->Q1->Q2-->Q3-->...-->Q7;下降沿移位寄存器数据不变。(脉冲宽度:5V时,大于几十纳秒就行了。我通常都选微秒级)
ST_CP(12脚):上升沿时移位寄存器的数据进入数据存储寄存器,下降沿时存储寄存器数据不变。通常我将ST_CP置为低电平,当移位结束后,在ST_CP端产生一个正脉冲(5V时,大于几十纳秒就行了。我通常都选微秒级),更新显示数据。
/OE(13脚):高电平时禁止输出(高阻态)。如果单片机的引脚不紧张,用一个引脚控制它,可以方便地产生闪烁和熄灭效果。比通过数据端移位控制要省时省力。
注1)74164和74595功能相仿,都是8位串行输入转并行输出移位寄存器。74164的驱动电流(25mA)比74595(35mA)的要小,14脚封装,体积也小一些。
2)74595的主要优点是具有数据存储寄存器,在移位的过程中,输出端的数据可以保持不变。这在串行速度慢的场合很有用处,数码管没有闪烁感。
3)595是串入并出带有锁存功能移位寄存器,它的使用方法很简单,如下面的真值表,在正常使用时ST_CP为低电平,/OE为低电平。从DS每输入一位数据,串行输入时钟SH_CP上升沿有效一次,直到八位数据输入完毕,输出时钟ST_CP上升沿有效一次,此时,输入的数据就被送到了输出端。
第一步:目的:将要准备输入的位数据移入74HC595数据输入端上。方法:送位数据到_595。
第二步:目的:将位数据逐位移入74HC595,即数据串入方法:SH_CP产生一上升沿,将DS上的数据移入74HC595移位寄存器中,先送低位,后送高位。
第三步:目的:并行输出数据。即数据并出方法:ST_CP产生一上升沿,将由DS上已移入数据寄存器中的数据送入到输出锁存器。
说明:从上可分析:从SH_CP产生一上升沿(移入数据)和ST_CP产生一上升沿(输出数据)是二个独立过程,实际应用时互不干扰。即可输出数据的同时移入数据。
链接:http://m.elecfans.com/article/611458.html
麦克纳姆轮的移动方式是基于一个有许多位于机轮周边的轮轴的中心轮的原理上,这些成角度的周边轮轴把一部分的机轮转向力转化到一个机轮法向力上面。
74HC595是一个8位串行输入、并行输出的位移缓存器。并行输出为三态输出。
本文主要介绍8×8 共阳极LED点阵显示实验,分别是:介绍74HC595点阵模块、点阵显示指定行列LED、点阵显示汉字。
L298N(红版)原理图及说明