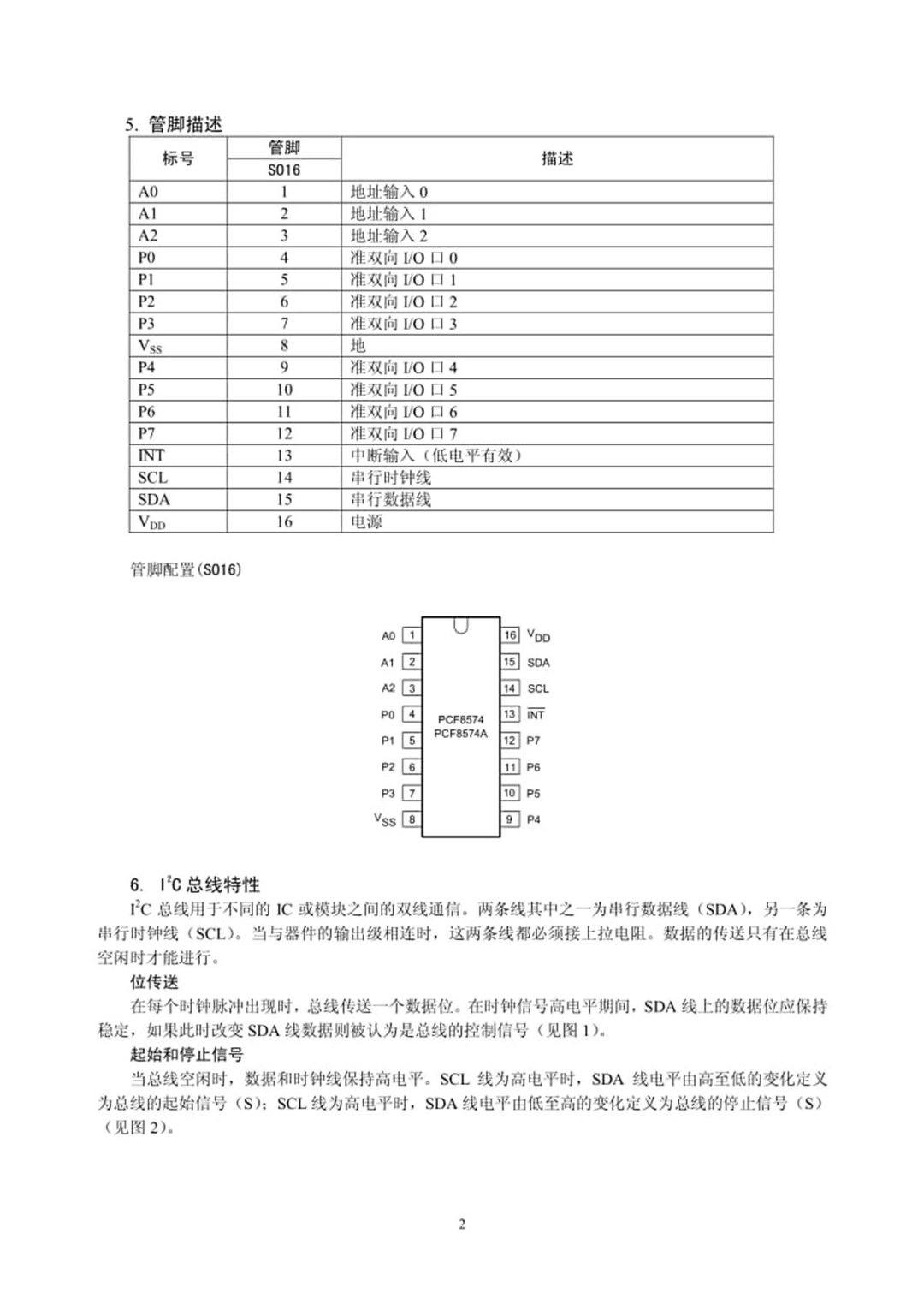
PCF8574器件包含一个8位准双向口和一个I2C总线接口,电流消耗很低,且口输出锁存具有大电流驱动能力,可直接驱动LED。
它还带有一条中断连接 (INT) 可与MCU的中断逻辑相连,通过INT发送中断信号,远端I/O口不必经过I2C总线通信就可通知MCU是否有数据从端口输入,这意味着PCF8574可以作为一个单被控器。
PCF8574功能框图

 
            74HC595是一个8位串行输入、并行输出的位移缓存器。并行输出为三态输出。
MCP23017器件为 I2C总线应用提供 16 位的通用并行 I/O 扩展。
 
            




