继电器模块

继电器是一种电控制器件。它具有控制系统(又称输入回路)和被控制系统(又称输出回路)之间的互动关系。通常应用于自动化的控制电路中,它实际上是用小电流去控制大电流运作的一种“自动开关” 。
创客 继电器 乐高拼搭兼容

示例程序

Arduino 示例程序

#define RELAY_PIN A3  // 设置继电器端口为A3

void setup() {
  pinMode(RELAY_PIN, OUTPUT);  // 设置继电器端口为输出模式
}
void loop() {
  digitalWrite(RELAY_PIN, HIGH);  // 设置继电器端口为高电平
  delay(1000);
  digitalWrite(RELAY_PIN, LOW);
  delay(1000);
}


资料

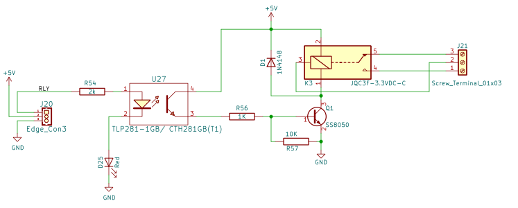
原理图

imgFile