
之前Arduino就发布了Portenta C33 板,其中配备了瑞萨电子的 ARM Cortex-M33 微控制器:RA6M5。这两款新的开发板配备了瑞萨电子的芯片RA4M1。32位 ARM Cortex-M4,运行频率为 48 MHz,具有 32 KB RAM 和 256 KB 闪存。基于瑞萨电子MCU的方案似乎越来越多起来。

有一个很不一样的点,「常规的ARM型的MCU大多都是3.3V供电的,但是RA4M1 可以使用高达 5V 的电源供电」,这使得在DIY的时候,有更强的兼容性跟替换性,这一点非常不错!
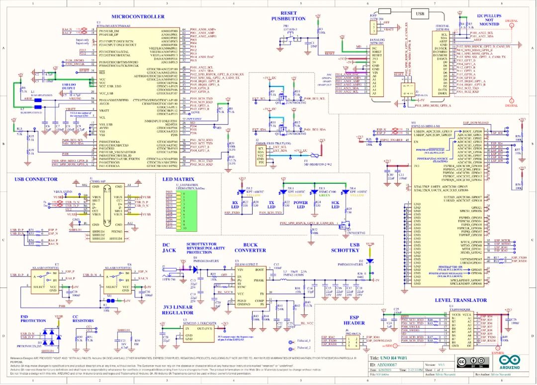
ATmega328 的数据手册不到 300 页,而RA4M1有1400多页的数据手册,UNO R4 Minima 的设计复杂性与 R3 类似,但是UNO R4 WiFi就非常密集了,主要是加了一个 8x12 的LED矩阵和ESP 32-S3-MINI WiFi模块,「还有值得一赞的是终于改成USB TYPE-C接口了。」


「RA4M1 集成了两个 SPI 接口、两个 I²C 接口以及四个串行通信接口 (SCI)。」 SCI 可以是UART、I2C 主设备或简单的SPI 端口(即最多6 个I2C 或SPI 端口),甚至可以是智能卡接口。然而,从 Minima 的原理图来看,似乎只有一个 I²C 端口已连接。引脚 A4、A5、D4 和 D5 暴露了第二个 SPI 端口,尽管电路板规格仅提到了一个。第二个串行端口 (Serial1) 也可用,但它与 SPI 端口共享其引脚。还加入了CAN总线的支持。

UNO R4 WiFi 具有 Qwiic I2C 连接器,可以轻松连接到广泛的 Qwiic 生态系统中的节点。适配器电缆还可以与基于其他连接器的传感器和执行器兼容。

UNO R4 具有 12 位数模转换器 (DAC),用于生成真实的模拟信号,而不是基于 PWM 的替代信号。还有一个运算放大器和一个比较器以及一个内部 8 位 DAC,模数转换器 ADC 是 14 位宽的,而不是 UNO R3 的 10 位宽。添加了 AnalogWave 库,使 DAC 的使用变得更加容易。「生成正弦波、锯齿波或方波就像调用库函数一样简单。」 当然,我们可以用它做更多的事情。因此,在模拟方面,UNO R4 比 UNO R3 提供的功能要多得多。
对于 Arduino IDE,切换到新型号的主控也意味着要添加软件支持。新软件往往会引入问题,因此 UNO R4 的体验可能需要一段时间才能变得像 UNO R3 一样流畅。比较好的一点是,UNO R4 Minima 使解决问题变得更加容易,「因为它具有 SWD 接口,可以进行严格的(串行)调试。」

我们看看Arduino UNO R4 WiFi与UNO R4 Minima 有何不同。首先,当然是 Wi-Fi 和蓝牙 LE 模块,即 Espressif 的 ESP32-S3。它通过串口(Serial2)以AT命令模式与MCU通信。Wi-Fi 模块的其他引脚作为微小焊盘暴露在外。可以对模块进行重新编程,在 2 x 3 接头(以及 PCB 的底部)上访问所需的引脚。新的 Arduino 库 WiFiS3 为该模块提供高级软件支持。
UNO R4 Wi-Fi 上的云连接功能意味着您可以上传数据,还可以在不同的 Arduino 之间同步某些变量和数据。例如,「可以让一个带有按钮的 Arduino,另一个与 LED 无线连接的 Arduino,按下按钮并打开 LED,无需任何额外的单行代码来处理通信。一切都将在幕后处理。」

「96 像素 (8 × 12) 红色 LED 矩阵使用户能够绘制数据、创建动画并在项目中提供更复杂和精密的反馈。」 新的库提供了在板子上显示动画的功能。同步的,用于设计动画的网络工具也已发布。


该矩阵使用Charlieplexing将 96 个 LED 连接到仅 11 个 GPIO 端口(Arduino 表示法中的 D28 到 D38)。这意味着在任一时间只有少数 LED 可以处于活动状态,因为像素由两个反并联连接的 LED 组成,并且像素共享端口。然而,由于人眼速度较慢,快速时间复用可以欺骗大脑看到完整的图像。
当不通过 USB 端口供电时,Arduino UNO R3 上的电源是一个基本的线性稳压器。在 UNO R4 板上,它已被DCDC取代。它支持更宽的输入电压范围,从 6V 到 24V。该稳压器也是瑞萨电子的产品,可提供高达 1.2A 的电流,效率约为 90%。UNO R4 WiFi 还具有一个为实时时钟 (RTC) 供电的连接器。


Minima 和 WiFi 这两块 Arduino UNO R4 板看起来像是 UNO R3 的可靠后继者。它们具有相同的外形、扩展连接器和完整的 5V I/O。「UNO R4 WiFi 有点像内置扩展板的 UNO R4 Minima。凭借其 Wi-Fi 模块、LED 矩阵和 Qwiic 连接器,可以轻松构建物联网应用程序。UNO R4 比 UNO R3 更强大,从内存到外设和运行速度,一切都更加丰富。」




https://store-usa.arduino.cc/products/uno-r4-wifi?selectedStore=ch
最后,非常有趣的是 Minima 上的调试连接器和 ESP32-S3 模块在 WiFi 上的 CMSIS-DAP 调试功能,这是许多开发人员自 Arduino 诞生以来一直在等待的功能因此,Arduino UNO R4 可以被认为是向前迈出的强有力的一步。
「感谢Arduino社区和早期开发者,他们在过去几个月为新的移植库做出了贡献,为我们提供了支持。」
链接:https://mp.weixin.qq.com/s/ECmRFjnUlAtR7V3bCuzWcA
I2C总线是由Philips公司开发的一种简单、双向二线制同步串行总线。它只需要两根线即可在连接于总线上的器件之间传送信息。
Arduino-ESP32与ESP-IDF的版本对应表。
Arduino-ESP32提供了多种文件系统解决方案,本文将深入解析SPIFFS、LittleFS和SD卡三种主流存储方案,帮助你做出最佳选择。
ESP32-P4-WIFI6-DEV-KIT是一款微雪(Waveshare)设计的基于 ESP32-P4 的多媒体开发板,并集成 ESP32-C6,支持 Wi-Fi 6 和 BLE 5 无线连接。它提供丰富的人机交互接口,包括 MIPI-CSI (集成图像信号处理器 ISP)、MIPI-DSI、SPI、I2S、I2C、LED PWM、MCPWM、RMT、ADC、UART 和 TWAI 等。
ESP-Hosted 解决方案提供了将 ESP 板用作 Wi-Fi 和 Bluetooth/BLE 连接的通信处理器的方法。
ESP-Hosted 提供了一种将ESP芯片和模组用作通信协处理器的解决方案,该解决方案为主机微处理器或微控制器提供无线连接,使主机能够与其他设备通信。简单来说为网卡方案。
Arduino+ESP32上使用TFT_eSPI库快速点亮这个屏幕,驱动芯片ST7789
本文给出了一个ESP32与SPI 接口TFT显示屏接线的详细说明,供大家参考。
本文讲解如何在Micropython环境下使用ESP32的ESPNow功能进行数据传输。
ESP-Dongle 是一款基于 ESP32-S3 芯片开发的多功能 USB Device 解决方案。它不仅外形小巧,功能齐全,更集成了无线 U 盘、SD 卡读取以及 USB 无线网卡等多项功能。
ESP32 系列芯片可以利用 CSI 数据实现动作检测和存在检测。无论是自动调节灯光、风扇,还是节能控制,CSI 技术为智能家居带来了新的可能性。随着 CSI 技术的发展,未来的智能家居将能够更精确地感知和响应我们的行为,实现更高效、更人性化的控制。